
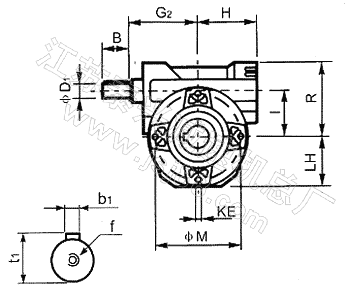
tandard Type
Size | B | G | G1 | G2 | H | I | LH | M | N | N1 | N2 | KE | R |
30 | 20 | 62.5 | 55 | 58 | 46 | 30 | 39 | 65 | 30 | 30 | 2 | 4-M6×9 | 51 |
45 | 30 | 74 | 65 | 68 | 55 | 45 | 49 | 65 | 35 | 35 | 2 | 4-M6×14 | 72 |
50 | 30 | 81.5 | 81 | 74.5 | 65 | 50 | 54.5 | 94 | 38 | 38 | 3 | 4-M6×9 | 81 |
63 | 45 | 99.5 | 120 | 93 | 79 | 63 | 70 | 90 | 45 | 45 | 5 | 8-M8×17 | 100 |
63A | 45 | 99.5 | 120 | 93 | 79 | 63 | 70 | 90 | 45 | 45 | 5 | 8-M8×17 | 100 |
85 | 50 | 124 | 135 | 112 | 98 | 85 | 94.5 | 130 | 64 | 64 | 3.5 | 4-M10×18 | 138 |
110 | 56 | 148 | 155 | 138 | 125 | 110 | 120 | 165 | 74 | 74 | 3.5 | 8-M12×30 | 170 |
Size | Output Flange | Input Shaft | Output Hole | Weight Kg | ||||||||||||||||
KA | KB | KC | KM | KN | KO | KP | D1 | b1 | t1 | f | D | b | t | |||||||
FC | FL | FC | FL | FC | FL | FC | FL | FC | FL | |||||||||||
30 | 50.5 | 55.5 | 6 | 6 | 68 | 87 | 50 | 60 | 7 | 8.5 | 80 | 110 | 9 | 3 | 10.2 | 14 | 5 | 16.3 | 1 | |
45 | 60.5 | 90.5 | 9 | 9 | 87 | 60 | 8.5 | 110 | 11 | 4 | 12.5 | 18 | 6 | 20.8 | 2.4 | |||||
50 | 85 | 114.5 | 12 | 9 | 90 | 70 | 10.5 | 123 | 16 | 5 | 18 | M6 | 25 | 8 | 28.3 | 3 | ||||
63 | 86 | 116 | 13 | 7 | 150 | 115 | 10.5 | 175 | 18 | 6 | 20.5 | M6 | 25 | 8 | 28.3 | 6 | ||||
63A | 85 | 111 | 13 | 7 | 165 | 130 | 13 | 200 | 18 | 6 | 20.5 | M6 | 28 | 8 | 31.3 | 6 | ||||
85 | 108 | 148.5 | 16 | 5 | 176 | 152 | 13 | 205 | 25 | 8 | 28 | M8 | 35 | 10 | 38.3 | 11 | ||||
110 | 131.5 | 179.5 | 16.5 | 11 | 230 | 170 | 13 | 270 | 25 | 8 | 28 | M8 | 42 | 12 | 45.3 | 35 | ||||