
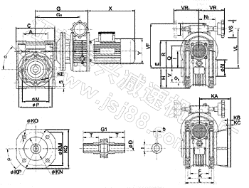
| Size | a | a1 | A | K | KC | KE | KM | KN(HB) | KO | M | N(h8) | N1 | O | Q | S | V | b | D(H7) | t | T | ||||||||
F | FB | FL | F | FB | FL | F | FB | FL | F | FB | FL | |||||||||||||||||
| 40/0.18 | 45o | 45o | 70 | 60 | 4 | 5 | 4 | M6x8(n,4) | 87 | 115 | 87 | 60 | 95 | 60 | 9(n,4) | 9.5(n,4) | 9(n,4) | 75 | 60 | 36.5 | 6.5 | 55 | 6.5 | 35 | 6(6) | 18(19) | 20.8(21.8) | 26 |
| 50/0.18 | 45o | 45o | 80 | 70 | 5 | 5 | 5 | M8x10(n,4) | 90 | 130 | 90 | 70 | 110 | 70 | 11(n,4) | 9.5(n,4) | 11(n,4) | 85 | 70 | 43.5 | 8.5 | 64 | 7 | 40 | 8(8) | 25(24) | 28.3(27.3) | 30 |
| 50/0.37 | ||||||||||||||||||||||||||||
| 63/0.37 | 45o | 45o | 100 | 85 | 6 | 5 | 6 | M8x14(n,8) | 150 | 165 | 150 | 115 | 130 | 115 | 11(n,4) | 11(n,4) | 11(n,4) | 95 | 80 | 53 | 8.5 | 80 | 8 | 50 | 8(8) | 25(28) | 28.3(31.3) | 36 |
| 63/0.55 | ||||||||||||||||||||||||||||
| 63/0.75 | ||||||||||||||||||||||||||||
| 75/0.37 | 45o | 45o | 120 | 90 | 6 | - | - | M8x14(n,8) | 165 | - | - | 130 | - | - | 14(n,4) | - | - | 115 | 95 | 57 | 11 | 93 | 10 | 60 | 8(10) | 28(35) | 31.3(38.3) | 40 |
| 75/0.55 | ||||||||||||||||||||||||||||
| 75/0.75 | ||||||||||||||||||||||||||||
| 75/1.1 | ||||||||||||||||||||||||||||
| 75/1.5 | ||||||||||||||||||||||||||||
| 90/0.55 | 45o | 45o | 140 | 100 | 6 | - | - | M10x18(n,8) | 175 | - | - | 152 | - | - | 14(n,4) | - | - | 130 | 110 | 67 | 13 | 102 | 11 | 70 | 10(10) | 35(38) | 38.3(41.3) | 45 |
| 90/0.75 | ||||||||||||||||||||||||||||
| 90/1.1 | ||||||||||||||||||||||||||||
| 90/1.5 | ||||||||||||||||||||||||||||
| 110/1.1 | 45o | 45o | 170 | 115 | 6 | - | - | M10x18(n,8) | 230 | - | - | 170 | - | - | 14(n,8) | - | - | 165 | 130 | 74 | 14 | 125 | 14 | 85 | 12 | 42 | 45.3 | 50 |
| 110/1.5 | ||||||||||||||||||||||||||||
| 110/2.2 | ||||||||||||||||||||||||||||
| 110/3.0 | ||||||||||||||||||||||||||||
| 110/4.0 | ||||||||||||||||||||||||||||
| 130/1.5 | 45o | 45o | 200 | 120 | 6 | - | - | M12x21(n,8) | 255 | - | - | 180 | - | - | 16(n,8) | - | - | 215 | 180 | 81 | 16 | 140 | 15 | 100 | 14 | 45 | 48.8 | 60 |